第一章 渠道输水 (1)根据项目区周边材料供应情况确定硬化方式。 (2)根据项目区具体情况,确定明渠输水渠道的断面形式。 (3)选用合理的水力参数。渠底比降应根据渠道沿线地形,地质条件,设计流量和含沙量等因素,通过计算分析确定,在满足渠道不冲不淤的条件下以较缓为宜;根据硬化方式确定明渠输水渠道的糙率。 (4)根据项目区用水要求选用合适的断面尺寸,并进行过水能力计算。渠道的纵横断面设计要保证设计输水能力、边坡稳定和水流安全通畅;各级渠道之间和渠道各分段之间及重要建筑物上下游水面平顺连接;末级渠道放水口的水位高出平整后田面进水口不少于10cm,且要保证施工运用和管理方便。
第一章 渠道输水
(1)根据项目区周边材料供应情况确定硬化方式。
(2)根据项目区具体情况,确定明渠输水渠道的断面形式。
(3)选用合理的水力参数。渠底比降应根据渠道沿线地形,地质条件,设计流量和含沙量等因素,通过计算分析确定,在满足渠道不冲不淤的条件下以较缓为宜;根据硬化方式确定明渠输水渠道的糙率。
(4)根据项目区用水要求选用合适的断面尺寸,并进行过水能力计算。渠道的纵横断面设计要保证设计输水能力、边坡稳定和水流安全通畅;各级渠道之间和渠道各分段之间及重要建筑物上下游水面平顺连接;末级渠道放水口的水位高出平整后田面进水口不少于10cm,且要保证施工运用和管理方便。
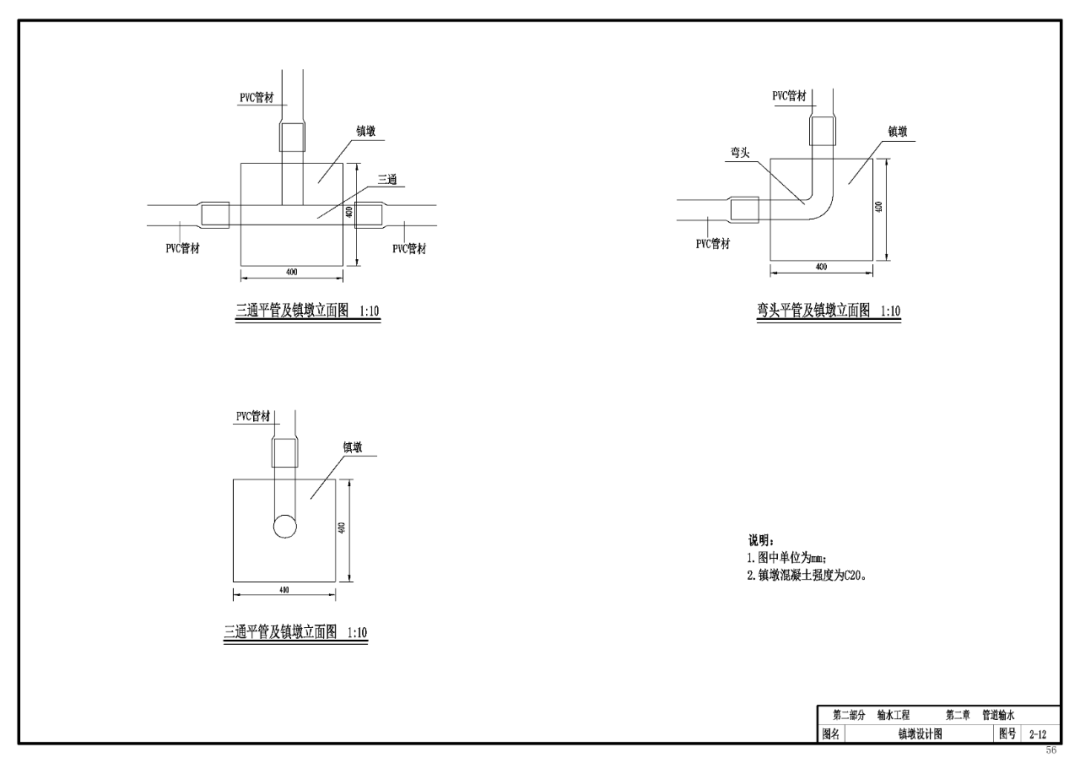
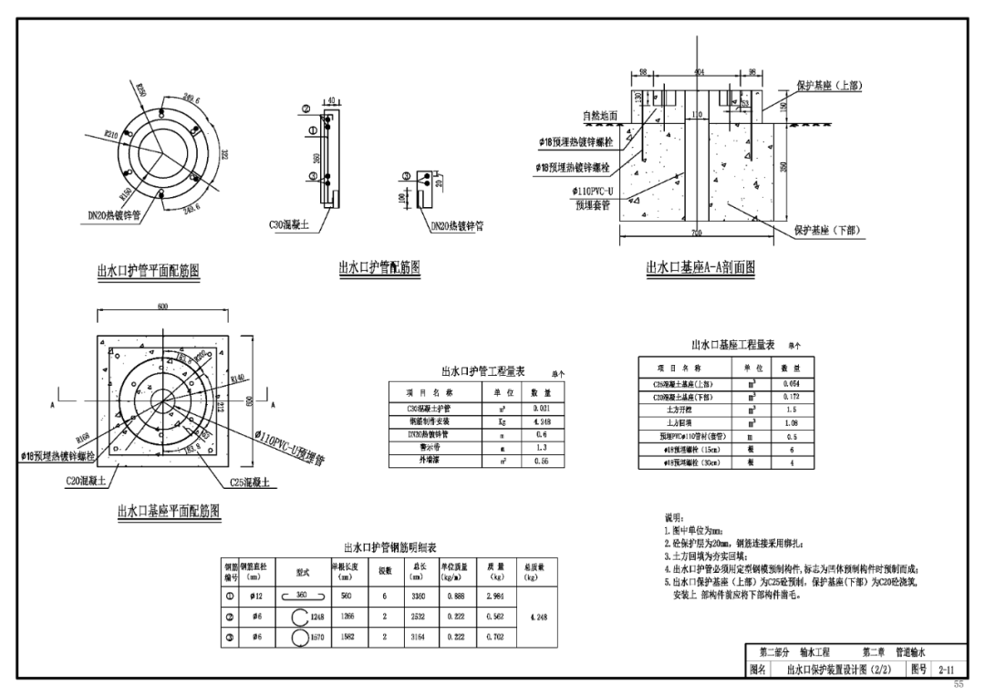
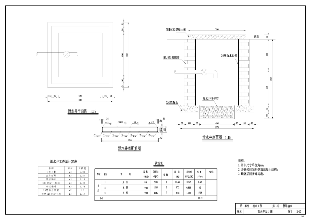
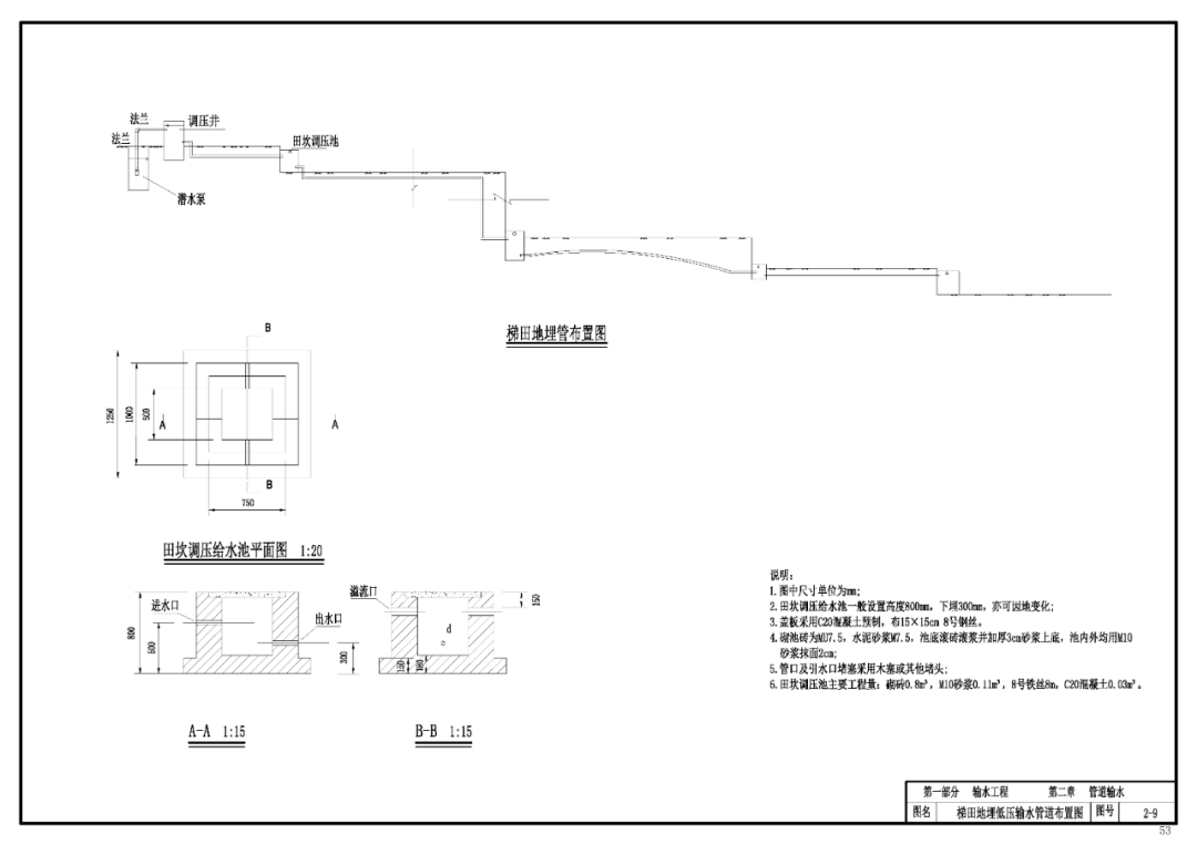
第二章 管道输水
(1)根据项目区具体情况确定输水管道的材质及具体形式
(2)根据项目区田块用水要求进行管径选型计算。
(3)根据输水管道长度及首末端高程差进行管道压力计算和沿程水头损失计算。
仅供参考
